Камины Очаг Москва — когда деньги не вылетают в трубу!

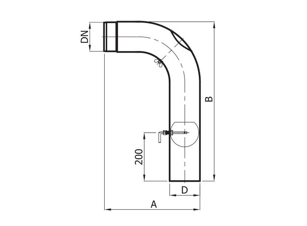
Колено гнутое с шибером и ревизией d120

Описание
Характеристики

Общие

Производитель:
Страна-производитель:
Польша
Гарантия
:
2 года
Внутренний диаметр:
120 мм
Материал дымохода:
Сталь
Применение дымохода:
Подключение каминов и печей
Тип элемента дымохода:
Толщина стенки:
2 мм
Марка стали:
DC01