Каминная топка EcoKamin Вега 800 PB
Описание
Характеристики
Общие
Производитель:
Страна-производитель:
Россия
Остекление:
Материал корпуса:
Материал топки:
- Шамот
Конструкция топки:
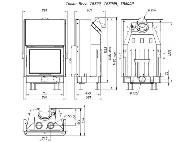
Размеры
Диаметр дымохода:
200 мм
Общая ширина:
910 мм
Общая глубина:
560 мм
Общая высота:
1335 мм
Общий вес:
294 кг
Высота рамки:
585 мм
Ширина рамки:
745 мм
Производительность
Мощность:
16 кВт
КПД:
80%
Площадь отопления:
160 м²
Объем отопления:
400 м³
Использование для отопления:
Видео галерея












