Каминная топка Hoxter ECKA 51/51/51h
Описание
Характеристики
Общие
Производитель:
Страна-производитель:
Чехия
Остекление:
Материал корпуса:
Материал топки:
- Шамот
Конструкция топки:
Стекло с подъемом вверх:
Да
Размеры
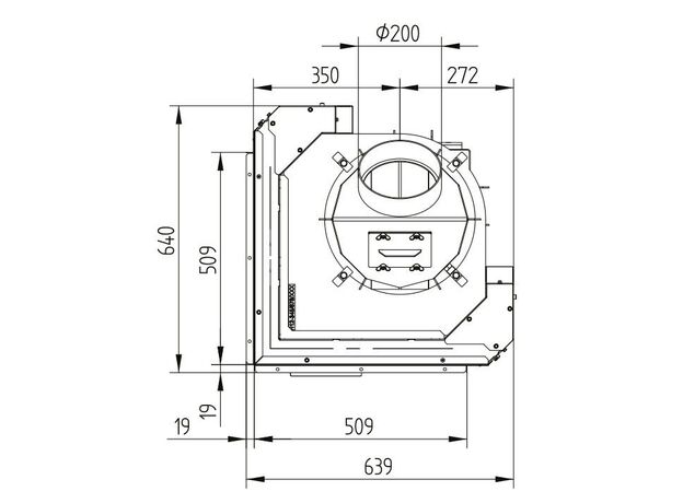
Диаметр дымохода:
200 мм
Общая ширина:
640 мм
Общая глубина:
640 мм
Общая высота:
1382 мм
Общий вес:
261 кг
Производительность
Мощность:
9 кВт
КПД:
80%
Площадь отопления:
90 м²
Объем отопления:
225 м³
Использование для отопления:
Видео галерея












