Каминная топка Spartherm Varia 2L80H
Описание
Характеристики
Общие
Производитель:
Страна-производитель:
Германия
Остекление:
Материал корпуса:
Материал топки:
- Керамика
Конструкция топки:
Стекло с подъемом вверх:
Да
Боковое стекло:
Слева
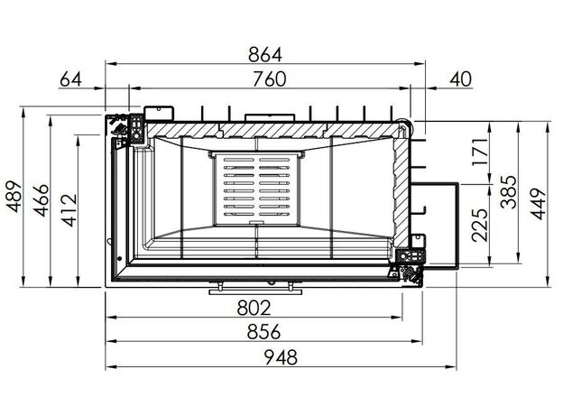
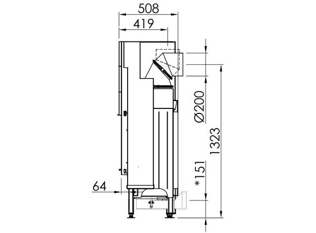
Размеры
Диаметр дымохода:
200 мм
Общая ширина:
948 мм
Общая глубина:
489 мм
Общая высота:
1523 мм
Ширина рамки:
802 мм
Производительность
Мощность:
10,4 кВт
КПД:
80%
Площадь отопления:
110 м²
Объем отопления:
275 м³
Использование для отопления:
Видео галерея












